Горелка РМГ-1 (РМГ-1П) в Ижевске

Версия
для печати
Товар отсутствуетИзготовление под заказ! Цена по запросу.
Получите скидку
у менеджера
Цена на горелка РМГ-1 (РМГ-1П) с доставкой от 0 рублей с НДС
Доставка ТК в г. Ижевск и по России
Безналичный расчет
Опросный лист
  • Технические
    характеристики
  • Описание
    товара
  • Отзывы о
    продукции

Технические характеристики

Технические характеристики горелки РМГ-1
Бренд Отечественная горелка
Тип РМГ-1 (РМГ-1П)
Топливо Мазут, Дизель
Номинальная тепловая мощность, МВт 1.1 (+0.11; -0.05)
Коэффициент рабочего регулирования, не менее 4
Номинальное разрежение в камере горения (топке), Па 20 (±20)
Номинальный расход жидкого топлива при Qc =40,53 МДж/кг (9680 ккал/кг), кг/ч 98
Кинематическая вязкость жидкого топлива перед горелкой, мазута / легкого жидкого топлива, мм²/с 44
Номинальное давление первичного (распыливающего) воздуха, кПа 4.5 (±0.5)
Температура воздуха перед горелкой, °С от 10 до 40
Минимальный коэффициент избытка воздуха при сжигании жидкого топлива в номинальном режиме, не более 1.2
Содержание оксида углерода в сухих продуктах сгорания, не более, мг/м³ 200 / 135
Содержание оксидов азота в сухих продуктах сгорания, не более, мг/м³ 300 / 290
Потери тепла от химической неполноты сгорания в диапазоне рабочего регулирования, не более, % 0.1
Потери тепла от механической неполноты сгорания, мазут / легкое жидкое топливо, не более, % 0.5 / 0.3
Сажевое число по шкале Бахараха в диапазоне рабочего регулирования, мазут / легкое жидкое топливо, не более 3 / 2
Длина факела при номинальной мощности, не более, м 1.3
Уровень звука в зоне обслуживания горелки, не более, дБа 80
Электродвигатель форсунки 1.5
Максимальная тепловая мощность, кВт 3000
Номинальное напряжение питания, 3 фазы, (50 Гц), В 380
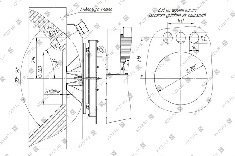
Габаритные размеры: длина*ширина*высота, мм 735х680х760
Масса, кг 150

Горелка РМГ-1 (РМГ-1П) в Ижевске

Мазутная горелка РМГ-1 предназначена для сжигания только мазута. Горелка РМГ-1П для сжигания нефти, легкого жидкого топлива, а также дизельного, печного бытового топлива, мазута в топках котлов соответствующей тепловой мощности оборудованных дымососом. Горелка имеет встроенный топливный насос с редуктором и блок электромагнитных клапанов.

Гарантийный срок эксплуатации – 12 месяцев со дня ввода горелки в эксплуатацию, но не более 18 месяцев со дня отгрузки с предприятия-изготовителя при соблюдении потребителем условий эксплуатации, транспортирования и хранения.

Вся продукция завода сертифицирована и соответствует Техническому регламенту Таможенного союза (ТР ТС 010/2011).

На поставленную продукцию поставщик предоставляет паспорт, руководство по эксплуатации, копию сертификата соответствия, заверенную заводом изготовителем.

Купить горелку РМГ-1 (РМГ-1П)

Для того чтобы купить горелку РМГ 1 (РМГ 1П) в Ижевске, вы можете сделать заявку в отдел сбыта по телефону (38-52) 29-97-41 (42), либо оформить заявку онлайн. Наши менеджеры дадут консультацию по подбору вспомогательного оборудования для выбранных вами моделей и рассчитают стоимость доставки до вашего региона и населенного пункта.

Комплект поставки

Дополнительно потребуется

Схема подключения

Дополнительные услуги

Сертификаты и гарантии

Отзывы о продукции

Отзыва о товаре пока нет, будьте первыми!

Вопрос ответ

Не ввел котельную в эксплуатацию. Что мне за это будет?

Ответственность за отсутствие разрешения на допуск котельной в эксплуатацию

Надзор за соблюдением требований ПТЭТЭ в организациях независимо от форм собственности и ведомственной принадлежности осуществляют органы государственного энергетического надзора. п 1.6. ПТЭТЭ. За несоблюдение ПТЭТЭ Ростехнадзор привлекает организации к ответсвенности по следующим статьям КоАП:

КоАП РФ Статья 9.9. Ввод в эксплуатацию топливо- и энергопотребляющих объектов без разрешения соответствующих органов осуществляющих государственный надзор на указанных объектах,

  • влечет наложение административного штрафа на должностных лиц в размере от одной тысячи до двух тысяч рублей;
  • на лиц, осуществляющих предпринимательскую деятельность без образования юридического лица, - от одной тысячи до двух тысяч рублей или административное приостановление деятельности на срок до девяноста суток;
  • на юридических лиц - от десяти тысяч до двадцати тысяч рублей или административное приостановление деятельности на срок до девяноста суток.

Также есть еще Статья 9.11. КоАП РФ, которая предусматривает аналогичную ответственность за несоблюдение ПТЭТЭ во время эксплуатации.

Статья 9.11. Нарушение правил пользования топливом и энергией, правил устройства, эксплуатации топливо- и энергопотребляющих установок, тепловых сетей, объектов хранения, содержания, реализации и транспортировки энергоносителей, топлива и продуктов его переработки

  • влечет наложение административного штрафа на граждан в размере от одной тысячи до двух тысяч рублей;
  • на должностных лиц - от двух тысяч до четырех тысяч рублей;
  • на лиц, осуществляющих предпринимательскую деятельность без образования юридического лица, - от двух тысяч до четырех тысяч рублей или административное приостановление деятельности на срок до девяноста суток;
  • на юридических лиц - от двадцати тысяч до сорока тысяч рублей или административное приостановление деятельности на срок до девяноста суток.

Какие котельные требуют допуск РТН в эксплуатацию:

Водогрейные и паровые котельные, в том числе блочно модульные котельные установки эксплуатируются в соответствии с "Правилами технической эксплуатации тепловых энергоустановок" Утвержденными приказом №115 от 24 марта 2003 г. (Далее ПТЭТЭ)

ПТЭТЭ распространяются на:

  • производственные, производственно-отопительные и отопительные котельные с абсолютным давлением пара не более 4,0 МПа и с температурой воды не более 200 град. С на всех видах органического топлива, а также с использованием нетрадиционных возобновляемых энергетических ресурсов;
  • паровые и водяные тепловых сетей всех назначений, включая насосные станции, системы сбора и возврата конденсата, и других сетевых сооружений;
  • системы теплопотребления всех назначений (технологических, отопительных, вентиляционных, горячего водоснабжения, кондиционирования воздуха, теплопотребляющих агрегатов, тепловых сетей потребителей, тепловых пунктов, других сооружений аналогичного назначения.

Приемка и допуск в эксплуатацию котельных:

Согласно ПТЭТЭ:

2.4.1. Новые или реконструированные тепловые энергоустановки принимаются в эксплуатацию в порядке, установленном ПТЭТЭ.

2.4.11. Включение в работу тепловых энергоустановок производится после их допуска в эксплуатацию.

2.4.2. Допуск в эксплуатацию новых и реконструированных тепловых энергоустановок осуществляют органы государственного энергетического надзора на основании действующих нормативно-технических документов.

Таким образом, исходя из приведенных норм, запрещается производить подключение объектов к сетям инженерно-технического обеспечения и осуществлять подачу коммунальных ресурсов без допуска в эксплуатацию тепловых энергоустановок органами энергетического надзора.

Порядок организации работ по выдаче разрешений на допуск в эксплуатацию энергоустановок и тепловых сетей (далее – Порядок) установлен приказом Федеральной службы по экологическому, технологическому и атомному надзору от 7 апреля 2008 г. № 212, зарегистрирован в Минюсте РФ 28 апреля 2008 г. № 11597 (РД 12-08-2008).

Вышеперечисленный документ не содержат требований о минимальной или максимальной нагрузке теплового пункта, при которой необходимо получать разрешение на допуск в эксплуатацию, соответственно необходимо получать разрешение на допуск в эксплуатацию новых или реконструированных тепловых энергоустановок, вне зависимости от их тепловой нагрузки.

Как проводится гидравлическое испытание котла

Гидравлические испытания водогрейного котла

1.1. Гидравлическому испытанию подлежат все новые или реконструированные тепловые энергоустановки после завершения монтажных работ.

1.2. Опрессовка и гидравлическое испытание котлов проводится давлением не менее 1,25 Рраб.

1.3. Опрессовка и гидравлическое испытание котлов проводиться водой температурой не ниже 5 ⁰С и не выше 40 ⁰С. Применение холодной воды (5-15 ⁰С) для испытаний может вызывать выпадения влаги на поверхностях объекта испытаний. Применение воды температуры выше 40 ⁰С может быть травмоопасно. Используемая для гидравлического испытания вода не должна загрязнять объект или вызывать интенсивную коррозию.

1.4. Проведение гидравлических испытаний котлов на плотность проводятся в следующем порядке:

  • Заполнить водой теплосети котельной и котел.
  • Спустить воздух системы теплосетей и котла через воздушники, установленные в верхних точках.
  • Котел отключить от действующих теплосетей, закрыв запорную арматуру или установить заглушку на прямом и обратном трубопроводе теплосети.

  • Установить пробное давление: включить циркуляционный и подпиточный насосы. Давление следует поднимать равномерно до достижения пробного. Общее время подъема давления должно быть не менее 10 мин.
  • Время выдержки под пробным давлением должно быть не менее 10 мин.
  • После выдержки под пробным давлением давление снижают до рабочего.

Давление воды при испытании контролируется по манометрам, установленными на подводящем и отводящем трубопроводах котла согласно приложению А.

1.5. Контролируемые параметры при гидравлических испытаниях:

  • Показания манометров. Падения давления не допускается в течении выдержки пробным давлениям;

В случае выявления падения давления согласно показаниям манометров, проводиться визуальный контроль.

  • Визуальный контроль. После снижения давления до рабочего не допускается видимых остаточных деформаций, трещин или признаков разрыва, течи в сварных и разъемных соединениях и в основном металле.

Манометры и показывающие приборы, должны быть установлены согласно схеме.

Акт гидравлического испытания котлов образец

«___» ________ 20___ г.
Начальник производствафамилия, инициалы
Мастер сменыфамилия, инициалы
Работник, проводивший испытанияфамилия, инициалы
Произвели осмотр и проверку качества сборкинаименование изделия, заводской номер
и составили акт о нижеследующем:
1. Сборканаименование изделия, вид проектной, технологической документации
2. В процессе сборки внесены следующие отступления от технической документацииперечень отступлений
согласованныедолжность, фамилия, инициалы
3. Котел испытан гидростатическим методом пробным давлением_____МПа (_____кгс/см2) в течении _______мин.
4. В течение времени нахождения под пробным давлением падение давлениянаблюдалось или не наблюдалось
5. В течение времени нахождения под максимальным рабочим давлением ___МПа (___кгс/см2)отсутствие или наличие дефектов
Принято решение:
Котел (признается или не признается) выдержавшим испытание гидростатическим методом.
Начальник производствафамилия, инициалы, подпись
Мастер сменыфамилия, инициалы, подпись
Работник, проводивший испытанияфамилия, инициалы, подпись

Акт гидравлического испытания котлов образец (скачать в Word)

Акт гидравлического испытания котлов образец (скачать в pdf)

  • Технические
    характеристики
  • Описание
    товара
  • Отзывы о
    продукции
  • Вопрос
    ответ
Документы завода
  • Сертификаты завода
  • Членство в СРО
  • Аттестованная технология сварки
  • Патенты на котельное оборудование
  • Товарные знаки
Смотреть все документы
Сертификат на водогрейные котлы на твердом и жидком топливе
Сертификат на водогрейные котлы на газе и жидком топливе
Сертификат на котлы отопительные паровые КП
Сертификат на топки
Сертификат на щиты управления
Сертификат на скиповые подъемники
Сертификат на золоуловители (циклоны)
Сертификат на конвейеры скребковые
Сертификат на дробилки
Сертификат на клапаны предохранительные
Сертификат на бункер-накопитель механизированный
Сертификат на автоматику газовых горелок
Членство в СРО
Членство в СРО
Аттестованная технология сварки
Свидетельство аттестованной технологии сварки
Патент на отопительный котел
Патент на водогрейный котел
Патент на топку водогрейного котла
Патент на водогрейный газовый котел
Патент на водогрейный котел
Патент на топочное устройство твердотопливного котла
Патент на водогрейный котел
HEATEXPERT товарный знак
KVZR товарный знак
STEAMEXPERT товарный знак
Другая похожая продукция
Вы просматривали эти товары
Цена по запросу
Автоматический угольный котел 0.25 МВт
Лизинг
Вид топкиРетортная, Автоматическая
Максимальная тепловая мощность, МВт0.25
ТопливоТвердое, Уголь
Отапливаемая площадь, м²1500-2600
903 960 р. Цена с НДС
Котел паровой Е 1/9 Р
Лизинг
Производительность, кг/ч1000
ТопливоТвердое, Уголь
Температура пара, не более, °C170
Давление пара, не более, МПа0.9
1 845 000 р. Цена с НДС
Цена по запросу
background