Твердотопливный паровой котел 1600 кг / 1.6 т пара -170°С -0,9 МПа / 9 кгс/cм² в Ижевске

Версия
для печати
В наличии на складе Цена в рублях с НДС 2 150 000
Получите скидку
у менеджера
Цена на твердотопливный паровой котел 1600 кг / 1.6 т пара -170°С -0,9 МПа / 9 кгс/cм² с доставкой от 2 180 000 рублей с НДС
Производительность, кг/ч1600
ТопливоТвердое, Уголь
Температура пара, не более, °C170
Давление пара, не более, МПа0.9
Доставка ТК в г. Ижевск и по России
Безналичный расчет
Опросный лист
Эту продукцию можно
купить в лизинг
  • Технические
    характеристики
  • Описание
    товара
  • Комплект
    поставки
  • Дополнительно
    потребуется
  • Схема
    подключения и монтаж
  • Доп
    услуги
  • Сертификаты и
    гарантии
  • Отзывы о
    продукции
  • Видео
    обзор
  • Вопрос
    ответ

Технические характеристики

  • Жаротрубный комбинированный паровой котел
  • Водяной объем котла в 3 раза превышает паропроизводительность – это исключает температурные колебания в трубной системе и гарантирует надежную работу котла даже при подпитке холодной водой
  • Паровой объем котла составляет до 15 % от общего объема – это обеспечивает стабильную выработку пара требуемых параметров
  • Большой водяной объем котла, отсутствие горизонтальных участков в трубной системе и эффективная система дренирования позволяют минимизировать последствия выпадения солей и отложения накипи
  • Имеет систему очитки поверхностей нагрева от сажи без остановки котла
  • Работает с дымососом и вентилятором
  • Температура пара до 170 °С
Технические характеристики парового котла Е 1.6 0.9 Р твердотопливного
Тип Паровой котел Е
Вид топки Ручная, Колосники
Конструкция котла Жаротрубный
Производительность, кг/ч 1600
Производительность, т/ч 1.6
Максимальная тепловая мощность, МВт 1.2
Диапазон регулирования мощности, % 50-100
Топливо Твердое, Уголь
Низшая теплота сгорания проектного топлива, кКал/кг 5230
КПД котла на УГЛЕ, не менее, % 78.6
Расход УГЛЯ при максимальной нагрузке котла, кг/ч 256
Расход условного топлива, кг/ч 191
Температура пара, не более, °C 170
Давление пара, не более, МПа 0.9
Давление пара, не более, (кгс/см²) 9
Давление пара, не более, бар 9
Полный объем котла, м³ 6.6
Объем паровой части, м³ 0.63
Аэродинамическое сопротивление, Па (мм. вод. ст.) 23.8 (2.38)
Тяга Принудительная
Объем топочной камеры, м³ 3.22
Размер топочной камеры, длина*ширина*высота, мм 2640х1100х1050
Активная площадь решетки горения, м² 2.74
Присоединительные размеры выхода пара, Ду 80
Присоединительные размеры по водяному тракту, Ду 32
Присоединительные размеры по дымовым газам / диаметр дымовой трубы, мм 550
Габаритные размеры котла, длина*ширина*высота, мм 5000х2200х2400
Масса, кг 7000
Марка STEAMEXPERT
Энергоэффективность Высокая
Бренд STEAMEXPERT

Паровой котел мощностью 1600 кг пара в час на твердом топливе, давлением 0.9 МПа в Ижевске

Предназначен для получения насыщенного пара высокого давления 1600 кг пара в час - температурой не более 170 °С и давлением не более 0,9 МПа, 9 кгс/cм² или 9 бар. Применяют твердотопливные паровые котлы 1,6 т пара в час строительные организации, бетонные заводы, ЖБИ, воинские части, мясокомбинаты, консервные заводы, автоколонны, ДСУ, хлебозаводы, мелькомбинаты, маслосырзаводы, птицефабрики, свинокомплексы, предприятия нефтегазовой промышленности и сельского хозяйства в животноводстве, птицеводстве.

Наш котельный завод также производит паровые котлы производительностью 1600 кг/ч с другими давлениями и температурой.

Твердотопливные паровые котлы 1.6 т 0.9 МПа 170 ºС марки STEAMEXPERT имеют следующие преимущества

  • Исключен вынос капель воды в технологические трубопроводы благодаря большой поверхности испарения и наличию сепаратора пара
  • Стабильная непрерывная выработка пара требуемых параметров при любой нагрузке благодаря большой паросборной камере - до 15 % от общего объема
  • Высокая скорость образования пара благодаря эффективной конвективной части котла
  • Возможность подпитки котла холодной водой +5°С благодаря большому водяному объему и отсутствию температурных колебаний в трубной системе
  • Повышенная надежность конструкции благодаря отсутствию неравномерных температурных расширений в жаровой трубе и трубной части теплообменника
  • Внешние поверхности нагрева очищаются паром без остановки котла
  • Внутренние поверхности нагрева не имеют горизонтальных участков и позволяют дренировать и очищать котел от выпадающего в процессе работы шлама без остановки парообразования

Конструкция, устройство и принцип работы паровых твердотопливных котлов 1600 кг пара

Твердотопливный паровой котел STEAMEXPERT Е 1600-0,9-170 - энергоэффективный, жаротрубный, горизонтальный, компактный, круглый, с естественной циркуляцией и высоким КПД.

Теплообменник изготавливается из двух стальных цилиндров разного диаметра, вставленных один в другой и соединенных между собой фланцами и конвективными трубами. В верхней части теплообменника приварен паросборник, представляющий собой полуцилиндр. Конвективный трубный пучок соединяет верхнюю и нижнюю часть водяной рубашки котла, пар образуется при испарении нагреваемой воды и собирается в паросборной камере, далее через паропровод направляется потребителю на технологические нужды. Дымовые газы проходят через трубный пучок и выходят в верхней части котла. В передней части жаровой трубы размещена топка с чугунными колосниками для каменного и бурого угля, а в задней части - конвективный пучок труб. Топливо загружается вручную, паропроизводительность регулируется путем увеличения или уменьшения количества загружаемого в топку угля. Температура сухого насыщенного пара низкого давления регулируется изменением давления пара, чем ниже давление пара, тем ниже температура. Для безопасности работы в передней части жаровой трубы в верхней части установлена легкоплавкая пробка – предохранительное устройство прямого действия. Легкоплавкая пробка предназначена для сброса пара во внутренний объем топочной камеры в случае упуска воды ниже аварийного уровня и достижения фактического уровня воды на работающем котле ниже верхней кромки жаровой трубы. При этом легкоплавкая пробка перестает охлаждаться котловой водой и нагревается до температуры газов в топочной камере. Из-за нагрева наполнитель легкоплавкой пробки плавится и выдавливается давлением пара в топочную камеру, при этом сбрасывается давление пара и дополнительно гасится пламя.

Комплектация паровых котлов 1600 кг пара в час 0.9 МПа на твердом топливе

В моделях котлов для сжигания твердого топлива устанавливается неподвижная колосниковая решетка.

Цена на паровые производственные котлы 1.6 т пара и давлением 0.9 МПа на твердом топливе включает полный комплект - манометры, указатели уровня с кранами, предохранительные клапаны, паровые и продувочные вентили, вентилятор поддува, щит управления. Насосы и автоматика поставляются дополнительно.

Монтаж твердотопливных паровых котлов 1.6 т 0.9 МПа

Энергоэффективные котлы 1600 кг 0.9 МПа 170 ºС для производства пара на твердом топливе поставляются блоками максимальной заводской готовности. Котельный блок устанавливается в котельной на специально подготовленную ровную поверхность. Котел подсоединяется по воде, устанавливается запорная арматура на подводящем трубопроводе и отводящем паропроводе, устанавливаются предохранительные клапаны и контрольно-измерительные приборы. Для твердотопливных установок подсоединяется вентилятор. Подключается дымосос и котельная автоматика. Типовые монтажные схемы вы можете изучить в разделе схемы подключения данного товара.

Купить паровой котел 1600 кг - 170 ºС на твердом топливе

Мы производим и поставляем промышленные паровые котлы 1600 кг пара на твердом топливе во все регионы России, Казахстана, Монголии, Таджикистана, Узбекистана, Белоруссии, Армении, Литвы, Киргизии. Доставка может осуществляться транспортными компаниями, авто и железнодорожным транспортом. Оперативно рассчитаем стоимость парового котла 1.6 т пара в час с доставкой в Ижевске после получения вашего запроса. Для того чтобы купить твердотопливный паровой котел 1600 кг пара в Ижевске, свяжитесь с отделом сбыта по телефону (38-52) 29-97-41 (42), либо оформите заявку онлайн. Наши менеджеры дадут консультацию по подбору вспомогательного оборудования для выбранных вами моделей и рассчитают стоимость доставки до вашего региона и населенного пункта. Также предлагаем вам выполнить проект реконструкции котельной.

Дополнительно потребуется

Для эффективной и надежной работы парового котла Е 1.6 0.9 Р твердотопливного вам потребуется дополнительное оборудование -  автоматика, 2 насоса (один рабочий, второй резервный) и дымосос. Мы предлагаем рассмотреть типовые варианты комплектации.

По необходимости устанавливаются золоуловители и водоподготовительное оборудование. Водоподготовка выбирается на основании анализа воды.

Типовую схему монтажа и обвязки котла вы можете посмотреть во вкладке схемы подключения.

Автоматика твердотопливного парового котла выполняет следующие функции:

  • ручной пуск котла, вентилятора и насоса;
  • автоматическое поддержания уровня воды в котле;
  • автоматическое поддержание заданного давления пара на выходе из котла.

Выполняет аварийную остановку котла, вентилятора и насоса при:

  • понижении уровня воды в котле ниже критического уровня;
  • повышении уровня воды в котле выше критического уровня (перелив);
  • повышении давления пара в котле.
Цена 145 610 рублей с НДС

Используется в качестве питательного насоса в производственных паровых котельных

Цена 136 510 рублей с НДС

Разрабатывает индивидуально на основе химического анализа воды потеребителя

Дымосос для удаления дымовых газов из котла.

Цена 101 460 рублей с НДС
  • Компактный золоуловитель для твердотопливных котлов
  • Может устанавливаться как сразу за котлом, так и на улице
  • Универсальная конструкция позволяет организовать выход справа или слева, в зависимости от компоновки газоходов
Цена 65 960 рублей с НДС

Дымосос для удаления дымовых газов из котла.

Цена 218 460 рублей с НДС

Производим газоходы по индивидуальному заказу согласно схеме компоновки котельной. Системы газоходов могут включать в себя:

  • шиберы;
  • газоходы различного сечения;
  • переходы;
  • тройники;
  • карманы всасывающие дымососов.

Схема подключения

Жаротрубный твердотопливный паровой котел 1600 кг / 1.6 т пара -170°С -0,9 МПа / 9 кгс/cм², предназначен для получения насыщенного пара температурой не более 170 °С и давлением не более 0,9 (9) МПа (кгс/cм²) для технологических целей в производстве. Устанавливается в производственных и промышленных котельных.

План расстановки оборудования в паровой котельной
Смотреть
Скачать

План расстановки оборудования в паровой котельной

Для правильного подключения парового котла Е 1.6 0.9 Р твердотопливного в котельной необходимо оставить проемы для обслуживания оборудования во время эксплуатации. Эти расстояния рекомендованы СНИП II-35-76. На данной схеме представлены их размеры. Кроме того мы составили примерный план, как можно произвести расположение подключение оборудования, а также указали перечень минимально необходимого вспомогательного оборудования для работы котла.

К вспомогательному оборудованию при работе парового котла Е 1.6 0.9 Р твердотопливного относятся:

  • питательные насосы (1 рабочий, 2 резервный);
  • бак запаса воды;
  • охладитель проб отбора воды;
  • система водоподготовки котловой воды;
  • автоматика котла.

Водоподготовительная установка подбирается на основе данных химического анализа воды, проводимого специализированной лабораторией.

Система питания котла
Смотреть
Скачать

Система питания парового котла Е 1.6 0.9 Р твердотопливного

При работе котла питание водой парового котла Е 1.6 0.9 Р твердотопливного производится через штуцер.

Подпитка котла ведется из питательного бака через насос, соединительную арматуру. На трубопроводе подпитки котла водой должно быть установлено запорное устройство и обратный клапан. Запорное устройство должно располагаться между котлом и обратным клапаном.

Для подпитки устанавливается не менее двух насосов с электроприводом. На стороне нагнетания каждого центробежного насоса до запорного органа должен быть установлен обратный клапан.

На трубопроводе выдачи пара, в непосредственной близости от котла, устанавливается запорное устройство.

На котле имеются продувочные штуцера Ду25, Ду15 и Ду10. Штуцер Ду25 предназначен для удаления шлама, образующегося в результате работы котла, периодической продувки котловой воды и для спуска воды в случае необходимости. Штуцер Ду15 предназначен для продувки водомерной колонки. Штуцера Ду10 предназначены для продувки указателей уровня.

В передней части жаровой трубы в верхней части установлена легкоплавкая пробка – предохранительное устройство прямого действия.

На боковой части корпуса устанавливается датчик уровней воды, связанный с паровым и водным пространством котла соединительными трубками не менее Ду25.

На боковой части корпуса устанавливается соединительная труба (колонка), служащая для установки двух указателей уровня, и связанная с паровым и водным пространством котла соединительными трубками не менее Ду25.

На боковой части корпуса внизу у котла имеется ревизия с крышкой, для периодического осмотра состояния поверхностей нагрева со стороны водяного объема.

Схема парового котла Е 1.6 0.9 Р твердотопливного
Смотреть
Скачать

Схема парового котла Е 1.6 0.9 Р твердотопливного

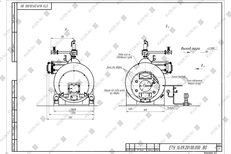
В передней части жаровой трубы размещена топка, а в задней части - конвективный пучок труб.

В верхней части котла приварен паросборник, представляющий собой полуцилиндр. На паросборной камере устанавливаются предохранительные клапаны и два штуцера Ду15, один для установки электроконтактного манометра, второй для спуска воздуха с котла при заполнении водой при подготовке к работе.

К фронтовой плите крепится воздуховод и вентилятор для подачи воздуха в топку котла под колосниковую решетку.

На задней крышке в основании дымовой трубы выполнен предохранительный взрывной клапан.

Образующиеся в топочной камере продукты сгорания проходят конвективный пучок труб и выводятся через трубу дымовую, установленную на корпусе в хвостовой части котла.

Отвод пара парового котла Е 1.6 0.9 Р твердотопливного
Смотреть
Скачать

Отвод пара парового котла Е 1.6 0.9 Р твердотопливного

Предохранительные клапаны предназначены для стравливания давления в котле при превышении допустимого значения. На котле установлены предохранительные клапаны пропускной способностью не менее часовой производительности котла.

Принцип работы клапана состоит в том, что при достижении паром номинального давления избыток пара выходит наружу. Клапана оборудованы ручным приводом для открывания при проверке их на срабатывание.

Щит управления совместно с электрооборудованием предназначен для управления работой парового котла Е 1.6 0.9 Р твердотопливного и защиты его при возникновении аварийных ситуаций. На двери щита расположены сигнальная лампа и органы управления работой котла, с табличками, указывающими их назначение. По месту либо на стенке щита крепится сигнальная сирена.

На паросборной камере устанавливается один электроконтактный манометр. При монтаже манометра, показывающего давление пара в котле, должна быть предусмотрена установка трехходового крана между манометром и сифонным устройством. Допускается установка других устройств, позволяющих контролировать показания рабочего манометра, путем подключения в систему контрольного манометра. Электроконтактный манометр выполняет роль датчика давления и предназначен для отключения дутьевого вентилятора и включения аварийной сигнализации при достижении паром предельно допустимого давления.

Датчик уровней служит для подачи команды на включение и отключение питательного насоса котла в процессе работы.

Указатель уровня воды предназначен для визуального контроля за уровнем воды при работе котла. На корпусе указателя крепится рамка или наносятся метки, указывающие верхний и нижний уровень воды.

Легкоплавкая пробка предназначена для сброса пара во внутренний объем топочной камеры в случае упуска воды ниже аварийного уровня и достижения фактического уровня воды на работающем котле ниже верхней кромки жаровой трубы. При этом легкоплавкая пробка перестает охлаждаться котловой водой и нагревается до температуры газов в топочной камере. Из-за нагрева наполнитель легкоплавкой пробки плавится и выдавливается давлением пара в топочную камеру, при этом сбрасывается давление пара и дополнительно гасится пламя.

Сертификаты и гарантии

Гарантийный срок на твердотопливный паровой котел 1600 кг / 1.6 т пара -170°С -0,9 МПа / 9 кгс/cм² 24 месяца.

Сертификат на котлы паровые Е .jpg
Сертификат на паровые котлы Е

Отзывы о продукции

Отзыва о товаре пока нет, будьте первыми!

Видео обзор

Паровой котел Е 1.6 0.9 на угле производительностью 1600 кг/час с температурой до 170 °С и давлением до 0.9 МПа применяется для технологических нужд в разных отраслях промышленности.

Смотреть видеообзор на

Вопрос ответ

Не ввел котельную в эксплуатацию. Что мне за это будет?

Ответственность за отсутствие разрешения на допуск котельной в эксплуатацию

Надзор за соблюдением требований ПТЭТЭ в организациях независимо от форм собственности и ведомственной принадлежности осуществляют органы государственного энергетического надзора. п 1.6. ПТЭТЭ. За несоблюдение ПТЭТЭ Ростехнадзор привлекает организации к ответсвенности по следующим статьям КоАП:

КоАП РФ Статья 9.9. Ввод в эксплуатацию топливо- и энергопотребляющих объектов без разрешения соответствующих органов осуществляющих государственный надзор на указанных объектах,

  • влечет наложение административного штрафа на должностных лиц в размере от одной тысячи до двух тысяч рублей;
  • на лиц, осуществляющих предпринимательскую деятельность без образования юридического лица, - от одной тысячи до двух тысяч рублей или административное приостановление деятельности на срок до девяноста суток;
  • на юридических лиц - от десяти тысяч до двадцати тысяч рублей или административное приостановление деятельности на срок до девяноста суток.

Также есть еще Статья 9.11. КоАП РФ, которая предусматривает аналогичную ответственность за несоблюдение ПТЭТЭ во время эксплуатации.

Статья 9.11. Нарушение правил пользования топливом и энергией, правил устройства, эксплуатации топливо- и энергопотребляющих установок, тепловых сетей, объектов хранения, содержания, реализации и транспортировки энергоносителей, топлива и продуктов его переработки

  • влечет наложение административного штрафа на граждан в размере от одной тысячи до двух тысяч рублей;
  • на должностных лиц - от двух тысяч до четырех тысяч рублей;
  • на лиц, осуществляющих предпринимательскую деятельность без образования юридического лица, - от двух тысяч до четырех тысяч рублей или административное приостановление деятельности на срок до девяноста суток;
  • на юридических лиц - от двадцати тысяч до сорока тысяч рублей или административное приостановление деятельности на срок до девяноста суток.

Какие котельные требуют допуск РТН в эксплуатацию:

Водогрейные и паровые котельные, в том числе блочно модульные котельные установки эксплуатируются в соответствии с "Правилами технической эксплуатации тепловых энергоустановок" Утвержденными приказом №115 от 24 марта 2003 г. (Далее ПТЭТЭ)

ПТЭТЭ распространяются на:

  • производственные, производственно-отопительные и отопительные котельные с абсолютным давлением пара не более 4,0 МПа и с температурой воды не более 200 град. С на всех видах органического топлива, а также с использованием нетрадиционных возобновляемых энергетических ресурсов;
  • паровые и водяные тепловых сетей всех назначений, включая насосные станции, системы сбора и возврата конденсата, и других сетевых сооружений;
  • системы теплопотребления всех назначений (технологических, отопительных, вентиляционных, горячего водоснабжения, кондиционирования воздуха, теплопотребляющих агрегатов, тепловых сетей потребителей, тепловых пунктов, других сооружений аналогичного назначения.

Приемка и допуск в эксплуатацию котельных:

Согласно ПТЭТЭ:

2.4.1. Новые или реконструированные тепловые энергоустановки принимаются в эксплуатацию в порядке, установленном ПТЭТЭ.

2.4.11. Включение в работу тепловых энергоустановок производится после их допуска в эксплуатацию.

2.4.2. Допуск в эксплуатацию новых и реконструированных тепловых энергоустановок осуществляют органы государственного энергетического надзора на основании действующих нормативно-технических документов.

Таким образом, исходя из приведенных норм, запрещается производить подключение объектов к сетям инженерно-технического обеспечения и осуществлять подачу коммунальных ресурсов без допуска в эксплуатацию тепловых энергоустановок органами энергетического надзора.

Порядок организации работ по выдаче разрешений на допуск в эксплуатацию энергоустановок и тепловых сетей (далее – Порядок) установлен приказом Федеральной службы по экологическому, технологическому и атомному надзору от 7 апреля 2008 г. № 212, зарегистрирован в Минюсте РФ 28 апреля 2008 г. № 11597 (РД 12-08-2008).

Вышеперечисленный документ не содержат требований о минимальной или максимальной нагрузке теплового пункта, при которой необходимо получать разрешение на допуск в эксплуатацию, соответственно необходимо получать разрешение на допуск в эксплуатацию новых или реконструированных тепловых энергоустановок, вне зависимости от их тепловой нагрузки.

Как проводится гидравлическое испытание котла

Гидравлические испытания водогрейного котла

1.1. Гидравлическому испытанию подлежат все новые или реконструированные тепловые энергоустановки после завершения монтажных работ.

1.2. Опрессовка и гидравлическое испытание котлов проводится давлением не менее 1,25 Рраб.

1.3. Опрессовка и гидравлическое испытание котлов проводиться водой температурой не ниже 5 ⁰С и не выше 40 ⁰С. Применение холодной воды (5-15 ⁰С) для испытаний может вызывать выпадения влаги на поверхностях объекта испытаний. Применение воды температуры выше 40 ⁰С может быть травмоопасно. Используемая для гидравлического испытания вода не должна загрязнять объект или вызывать интенсивную коррозию.

1.4. Проведение гидравлических испытаний котлов на плотность проводятся в следующем порядке:

  • Заполнить водой теплосети котельной и котел.
  • Спустить воздух системы теплосетей и котла через воздушники, установленные в верхних точках.
  • Котел отключить от действующих теплосетей, закрыв запорную арматуру или установить заглушку на прямом и обратном трубопроводе теплосети.

  • Установить пробное давление: включить циркуляционный и подпиточный насосы. Давление следует поднимать равномерно до достижения пробного. Общее время подъема давления должно быть не менее 10 мин.
  • Время выдержки под пробным давлением должно быть не менее 10 мин.
  • После выдержки под пробным давлением давление снижают до рабочего.

Давление воды при испытании контролируется по манометрам, установленными на подводящем и отводящем трубопроводах котла согласно приложению А.

1.5. Контролируемые параметры при гидравлических испытаниях:

  • Показания манометров. Падения давления не допускается в течении выдержки пробным давлениям;

В случае выявления падения давления согласно показаниям манометров, проводиться визуальный контроль.

  • Визуальный контроль. После снижения давления до рабочего не допускается видимых остаточных деформаций, трещин или признаков разрыва, течи в сварных и разъемных соединениях и в основном металле.

Манометры и показывающие приборы, должны быть установлены согласно схеме.

Акт гидравлического испытания котлов образец

«___» ________ 20___ г.
Начальник производствафамилия, инициалы
Мастер сменыфамилия, инициалы
Работник, проводивший испытанияфамилия, инициалы
Произвели осмотр и проверку качества сборкинаименование изделия, заводской номер
и составили акт о нижеследующем:
1. Сборканаименование изделия, вид проектной, технологической документации
2. В процессе сборки внесены следующие отступления от технической документацииперечень отступлений
согласованныедолжность, фамилия, инициалы
3. Котел испытан гидростатическим методом пробным давлением_____МПа (_____кгс/см2) в течении _______мин.
4. В течение времени нахождения под пробным давлением падение давлениянаблюдалось или не наблюдалось
5. В течение времени нахождения под максимальным рабочим давлением ___МПа (___кгс/см2)отсутствие или наличие дефектов
Принято решение:
Котел (признается или не признается) выдержавшим испытание гидростатическим методом.
Начальник производствафамилия, инициалы, подпись
Мастер сменыфамилия, инициалы, подпись
Работник, проводивший испытанияфамилия, инициалы, подпись

Акт гидравлического испытания котлов образец (скачать в Word)

Акт гидравлического испытания котлов образец (скачать в pdf)

  • Технические
    характеристики
  • Описание
    товара
  • Комплект
    поставки
  • Дополнительно
    потребуется
  • Схема
    подключения
  • Доп
    услуги
  • Сертификаты и
    гарантии
  • Отзывы о
    продукции
  • Видео
    обзор
  • Вопрос
    ответ
Документы завода
  • Сертификаты завода
  • Членство в СРО
  • Аттестованная технология сварки
  • Патенты на котельное оборудование
  • Товарные знаки
Смотреть все документы
Сертификат на водогрейные котлы на твердом и жидком топливе
Сертификат на водогрейные котлы на газе и жидком топливе
Сертификат на котлы отопительные паровые КП
Сертификат на топки
Сертификат на щиты управления
Сертификат на скиповые подъемники
Сертификат на золоуловители (циклоны)
Сертификат на конвейеры скребковые
Сертификат на дробилки
Сертификат на клапаны предохранительные
Сертификат на бункер-накопитель механизированный
Сертификат на автоматику газовых горелок
Членство в СРО
Членство в СРО
Аттестованная технология сварки
Свидетельство аттестованной технологии сварки
Патент на отопительный котел
Патент на водогрейный котел
Патент на топку водогрейного котла
Патент на водогрейный газовый котел
Патент на водогрейный котел
Патент на топочное устройство твердотопливного котла
Патент на водогрейный котел
HEATEXPERT товарный знак
KVZR товарный знак
STEAMEXPERT товарный знак
Другая похожая продукция
Паровой котел Е 1.6-0.9 Г
Лизинг
Производительность, кг/ч1600
ТопливоГаз
Температура пара, не более, °C170
Давление пара, не более, МПа0.9
1 657 000 р. Цена с НДС
Паровой котел Е 1.6-0.9 ЛЖ дизельный
Лизинг
Производительность, кг/ч1600
ТопливоЖидкое, Дизель
Температура пара, не более, °C170
Давление пара, не более, МПа0.9
1 657 000 р. Цена с НДС
Котел КПр 1600
Лизинг
Производительность, кг/ч1600
ТопливоТвердое, Уголь
Температура пара, не более, °C110, 115
Давление пара, не более, МПа0.07
1 525 000 р. Цена с НДС
Котел 1600 кг пара в час до 130 °С твердотопливный
Лизинг
Производительность, кг/ч1600
ТопливоУголь, Твердое
Температура пара, не более, °C130
Давление пара, не более, МПа0.17
2 116 620 р. Цена с НДС
Вы просматривали эти товары
Паровой котел Е 1.6-0.9 Р твердотопливный
Лизинг
Производительность, кг/ч1600
ТопливоТвердое, Уголь
Температура пара, не более, °C170
Давление пара, не более, МПа0.9
2 180 000 р. Цена с НДС
Цена по запросу
Водогрейный жаротрубный котел КВр 0.5
Лизинг
Вид топкиРучная, Колосниковая
Максимальная тепловая мощность, МВт0.5
ТопливоТвердое, Уголь
990 000 р. Цена с НДС
Котел 0.5 МВт газовый
Вид топкиГазовая горелка
Максимальная тепловая мощность, МВт0.5
ТопливоГаз
Отапливаемая площадь, м²3900-5500
448 000 р. Цена с НДС
background